总体介绍
仿真平台设定在电气楼以东,逸夫楼以南的花园空地上,长度约80米(80251.73mm),宽度14米(14251.73mm),最小转弯半径:3500mm,周长约186米。如图1所示。

图1仿真平台总体布局
结构组成
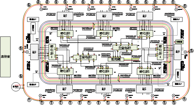
动模仿真系统主要由2个主变电所、8个牵引变电所、若干列车组、交直流导电轨、地面网络监控系统等组成,如图2所示。

图2 仿真平台主电路图
功能介绍
1.仿真平台所内板卡统一,具有很强的替换性,制作节省成本。程序采用统一程序,结构简单,便于管理和更改。所有板卡设置固定IP识别,可对特定板卡进行控制,管理方便。
2.运用了网线通信、wifi通信、CAN、232等多种通信手段,满足不同速率的通信要求。
3.红外:实现列车位置确定和定点停车、列车具有对射型和反射型两种红外、车站具有对射型红外。
4.平台配套了多种类的检测显示工具,各种电气检测量可以通过控制界面,虚拟示波器以及员工试验箱等多种工具显示,满足不同的教学科研要求。
5.平台程序采用wifi远程烧写。因为采用统一程序,所以可以进行批量烧写也可以根据IP指定设备更新。
6.平台具备数据库存储,可以存储平台的历史运行数据,实现虚拟示波器和数据刷新显示。为平台器件的寿命预测和故障诊断提供数据支撑,更好地检测控制系统运行。
7.平台搭配了灵活的牵引计算模块和程序,可以自由的设置车型和线路运行条件,为列车的牵引控制研究提供了保障。
8.员工实验:平台为本科生提供了良好的试验环境,员工在平台可以实现牵引供电系统、电力电子、自动控制原理等多学科的学习试验。
研究教学意义
1.搭建了一个全实物的牵引供电系统动态模拟教学试验平台
本项目搭建的动模仿真实验平台可以全面的反应实际的牵引供电系统,包括供电系统、通信系统、保护系统、车辆系统等等,为本科生教学提供了一个全面的平台。
2.开创了电气工程全实物的教学模式
动模仿真试验平台,可以为电力电子与电能变换、电机与电气传动、电气信息与控制、轨道牵引电气化专业方向的本科生提供演示实验。使员工不出学校,就能看到整车的牵引传动和供电系统的运行情况。
3.实现了传统电气工程信息化、数字化改造
整个系统的所有运行参数都会实时上传到数据库,通过对运行数据的实时监测,可以很容易的监控系统运行状态。员工通过实验监控界面就可以调整系统运行的各个参数,观测系统运行的各种电气数据波形。